「総合カタログVOL.2」記載内容の誤りについて|研削・切削液(クーラント)のスラッジ・切粉濾過装置の専門メーカー|ブンリ
平素より格別のご愛顧を賜り、厚く御礼申し上げます。
この度、「クーラント濾過装置・切粉処理システム 総合カタログVOL.2」の記載内容に誤りがございました。
深くお詫び申し上げますとともに、以下の通り訂正させていただきます。
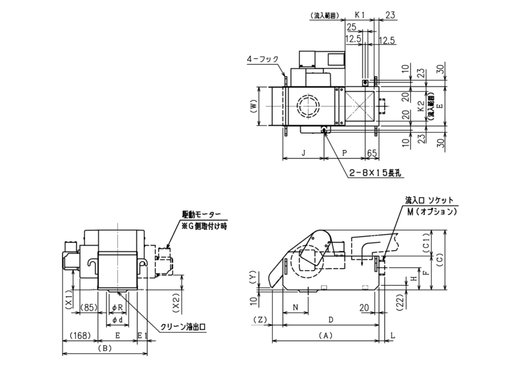
■マグネティックセパレーター フェニックスNEO 16ページ
【誤】寸法図に寸法表の「外形寸法B」が記載されていません。
【正】正しい寸法図は以下の通りです。
